ROM Disk

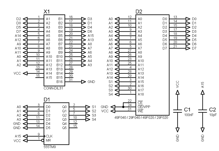
Схема

Разработка Алексея 'alemorf' Морозова: Внешнее ПЗУ для компьютера Апогей БК01Ц

PORTA - данные D7..D0 (чтение)

PORTB, PORTC - адрес A14..A0 (запись)

PC7 - запись номера страницы в регистр ТМ9

Документация

AM29F040B Datasheet

W27C512 64Kx8 EEPROM Datasheet

Программатор РЕ3 и РТ4

Programming the 3601

Intel 3601 PROM doc

Программаторы для ППЗУ. Козак и др. ИЯФ СО АН СССР, 1989

Программатор CSYPROM