Контроллер НГМД

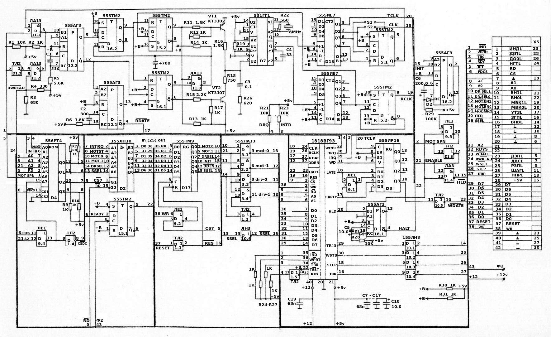
Схема

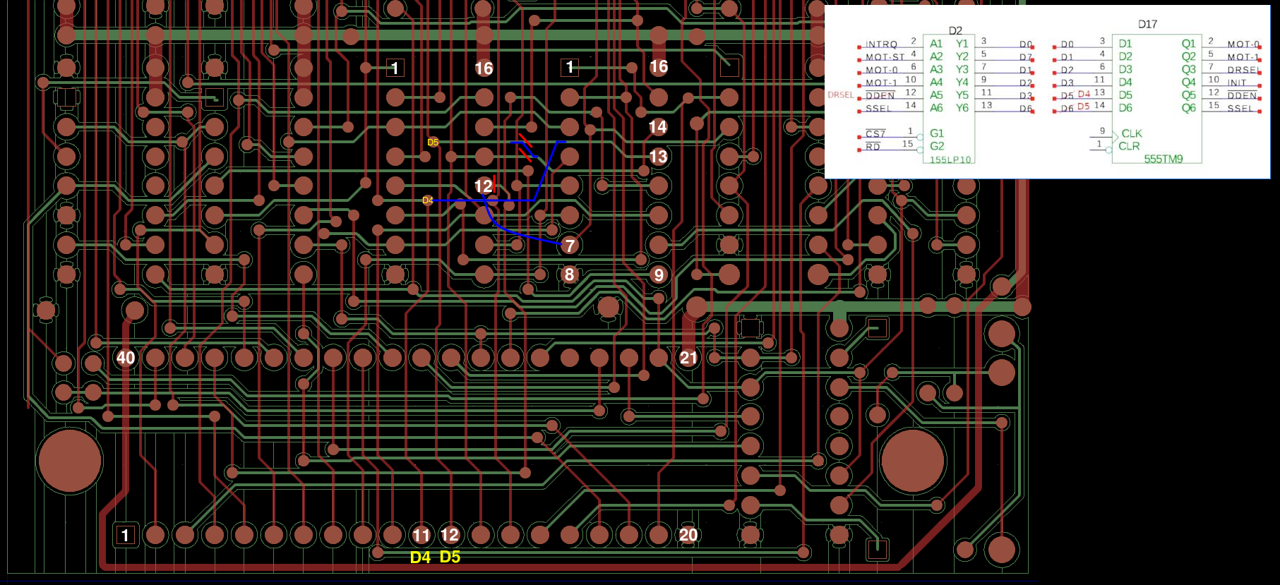
Плата

Исправления
Генератор К531ГГ1 (D7)
D4, D5, DRSEL
Перепутаны A0 и A1

Дополнительные сигналы

Сигнал Ф2 подается на разъем XP2 контроллера с материнской платы. Можно взять его с вывода 20 БИС DD72 контроллера УСАПП К580ВВ51 (интересно, зачем он там?)

Разъем на материнской плате

Ports

0x20 Command/Status Register
0x21 Track Register (TR)
0x22 Sector Register (SCR)
0x23 Data Register (DR)
0x25
WriteD7D6D5D4D3D2D1D0
SSELDDENINIT~DRSELMOT1MOT0
ReadD7D6D5D4D3D2D1D0
MOTSTSSEL~DRSELMOT1MOT0INTRQ

Прошивка ПЗУ КР556РТ4

Вариант с форума
(похоже, нерабочий)
Вариант alemorf
(рабочий)

00: F F F F F F F F F F F F F F F F
10: F F F F F F F F F F F F F F F F
20: 5 F 6 F 2 F 2 F 6 F 6 F 2 F 2 F
30: F F F F F F F F F F F F F F F F
40: F F F F F F F F F F F F F F F F
50: F F F F F F F F F F F F F F F F
60: F F E F F F E F F F E F F F E F
70: F F F F F F F F F F F F F F F F
80: F F F F F F F F F F F F F F F F
90: F F F F F F F F F F F F F F F F
a0: E F E F A F A F E F E F A F A F
b0: F F F F F F F F F F F F F F F F
c0: F F F F F F F F F F F F F F F F
d0: F F F F F F F F F F F F F F F F
e0: F F E F F F E F F F E F F F E F
f0: F F F F F F F F F F F F F F F F

00: f f f f f f f f f f f f f f f f
10: 5 6 2 2 6 6 2 2 f f f f f f f f
20: f f f f f f f f f f f f f f f f
30: f f f f e e e e f f f f f f f f
40: f f f f f f f f f f f f f f f f
50: e e a a e e a a f f f f f f f f
60: f f f f f f f f f f f f f f f f
70: f f f f e e e e f f f f f f f f
80: f f f f f f f f f f f f f f f f
90: f f f f f f f f f f f f f f f f
a0: f f f f f f f f f f f f f f f f
b0: f f f f f f f f f f f f f f f f
c0: f f f f f f f f f f f f f f f f
d0: f f f f f f f f f f f f f f f f
e0: f f f f f f f f f f f f f f f f
f0: f f f f f f f f f f f f f f f f

Бинарник

Документы и ссылки

Топик на ZX-PK.RU

FDC1791-02_StandardMicrosystems.pdf

Архив 7z с файлами для изготовления реплики контроллера (2018 год)

Программатор РЕ3 и РТ4 А.Морозова

Модификация привода TEAC FD-235HG

Приводы Citizen

NEC FD1231H

Книга "Ремонт дисководов". Солон 1995

Методика юстировки от XPOHOMETP

https://www.old-games.ru/forum/threads/kak-schitat-dannye-s-disket-5-25-na-sovremennom-pc.101750/page-4#post-1900562

Testing And Aligning A Floppy Drive.pdf

Atari ST FD Info

FD179X_Application_Notes_Jun1980.pdf